• Nuevo
Descatalogado KARAKSA™ F DX101
search
  • KARAKSA™ F DX101
Debes estar logueado para añadir este producto a tus favoritos.

KARAKSA™ F DX101

KARAKSA-F-BX102-175-500
100,00 € 100,00 €
Sin IVA
Diámetro
Formato
Cantidad

En stock 0 ud disponibles para envío inmediato.
ud disponibles para envío en 0 - 0 días
Disponible para envío en 0 - 0 días

Producto temporalmente sin stock con estas características. Selecciona otra combinación.

Producto temporalmente sin stock con estas características. Selecciona otra combinación.

Te avisamos cuando esté disponible:

La poliamida es uno de los materiales más utilizados en impresión 3D industrial gracias a sus excelentes propiedades mecánicas, térmicas y químicas, que la convierten en una opción muy equilibrada para múltiples aplicaciones. Sin embargo, tanto la poliamida sin reforzar como la poliamida reforzada con fibras convencionales presentan limitaciones que condicionan su uso en entornos exigentes.

En la poliamida sin reforzar, los principales inconvenientes aparecen durante el proceso de impresión: elevado warping que compromete la estabilidad dimensional, alta probabilidad de fallos en piezas grandes o planas, tendencia acusada al stringing y un comportamiento deficiente en puentes y voladizos, lo que limita la libertad de diseño y la precisión geométrica.

Las poliamidas reforzadas con fibra de carbono o fibra de vidrio reducen parte de estas deformaciones y aumentan la rigidez, pero introducen nuevos compromisos: acabado superficial rugoso, limitaciones en el uso de boquillas de pequeño diámetro (normalmente ≥0,4 mm en CF y ≥0,6 mm en GF) y un desgaste elevado del extrusor y el hotend debido a la abrasividad de las fibras.

KARAKSA™ F DX101 surge para resolver estas limitaciones, ofreciendo una alternativa real a los nylons reforzados tradicionales. Gracias al uso de un 7% de nanofibras de celulosa (CNF) de alta resistencia térmica desarrolladas por Asahi Kasei, este material proporciona un refuerzo altamente eficaz sin los inconvenientes asociados a las fibras convencionales.

Tecnología CNF y estructura interna

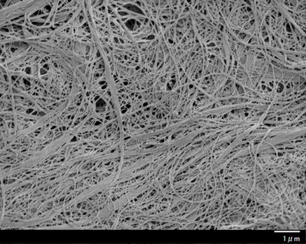
La clave del rendimiento de KARAKSA™ F DX101 está en la dispersión extremadamente uniforme de las nanofibras de celulosa dentro de la matriz polimérica. Estas CNF forman una red tridimensional continua mediante enlaces de hidrógeno, distribuyéndose de forma homogénea a escala nanométrica. Esta estructura refuerza el material y actúa como un soporte interno dinámico que mejora la transferencia de cargas entre capas y reduce las tensiones internas durante el enfriamiento.

Estructura de nanofibras de celulosa de Asahi Kasei. Fuente: Asahi Kasei

Imagen 1: Estructura de nanofibras de celulosa de Asahi Kasei. Fuente: Asahi Kasei

Comportamiento tixotrópico optimizado para FFF

Bajo las altas condiciones de cizallamiento en la boquilla, el material fluye con facilidad, permitiendo una extrusión estable y continua. Una vez depositado, la viscosidad aumenta rápidamente, evitando el descuelgue y manteniendo la geometría definida. Esto se traduce en puentes más estables, voladizos mejor controlados y una excelente fidelidad geométrica, incluso en piezas complejas y de gran tamaño.

Pieza con voladizos complejos y puentes impresa con Karaksa F.

Imagen 2: Pieza con voladizos complejos y puentes impresa con Karaksa F. Fuente: Asahi Kasei

Estabilidad dimensional y precisión industrial

Con un 7 % de CNF, DX101 ofrece una reducción muy eficaz de la contracción térmica del nylon, logrando una estabilidad dimensional superior incluso en impresiones largas o piezas de gran volumen. Para aplicaciones industriales, esto implica mayor repetibilidad, mejor control de tolerancias y una reducción significativa de rechazos o ajustes posteriores.

Piezas de gran tamaño impresas con Karaksa si warping visible.

Imagen 3: Piezas de gran tamaño impresas con Karaksa si warping visible. Fuente: Asahi Kasei

Acabado superficial y durabilidad del equipo

A pesar de tratarse de un filamento cargado, KARAKSA™ F DX101 proporciona un acabado superficial suave y uniforme, muy superior al de los filamentos CF o GF. Las nanofibras de celulosa, más blandas y flexibles que las fibras convencionales, reducen el desgaste de la boquilla y minimizan el riesgo de atascos. No es necesario utilizar boquillas endurecidas y es posible imprimir con diámetros de hasta 0,2 mm, manteniendo un alto nivel de detalle.

Comparativa de la resolución de detalle obtenida con diferente diámetros de boquilla en impresiones con Karaksa F.

Imagen 4: Comparativa de la resolución de detalle obtenida con diferente diámetros de boquilla en impresiones con Karaksa F. Fuente: Asahi Kasei

Resistencia mecánica y fiabilidad

La excelente adhesión entre capas confiere a DX101 una alta resistencia interlaminar, permitiendo que las piezas soporten esfuerzos repetidos sin delaminación. Su elevada resistencia térmica y mecánica lo hacen especialmente adecuado para piezas estructurales, utillajes industriales y componentes mecánicos donde la fiabilidad dimensional es prioritaria.

Ensamblaje de tolerancias ajustadas impreso con  Karaksa F.

Imagen 5: Ensamblaje de tolerancias ajustadas impreso con  Karaksa F. Fuente: Asahi Kasei

Dentro de la gama KARAKSA™ F, DX101 representa la opción de máximo rendimiento técnico, mientras que la versión BX102 (5 % CNF) está orientada a aplicaciones donde se priorizan la flexibilidad y la calidad superficial, manteniendo muy buenas prestaciones mecánicas.

Nota importante: Queda estrictamente prohibidas las siguientes actividades:

  • Usar este material para actividades o propósitos ilegales.
  • Usar este material para la producción de dispositivos médicos.
  • Usar este material para producir cualquier dispositivo destinado a entrar en contacto con mucosas, fluidos corporales, sangre o medicamentos.
  • Usar este material para propósicos militares incluído, pero no limitado, el desarrollo, fabricación, uso o almacenamiento de armas o cualquier otro tipo de dispositivo o producto militar.
  • Usar este material para la producción de dispositivos o productos destinados a entrar en contacto con alimentos o bebidas.

Productos relacionados